- Наличие: Ожидание 3-5 дня
- Артикул: F/HB6
Производитель: PROMFACTOR
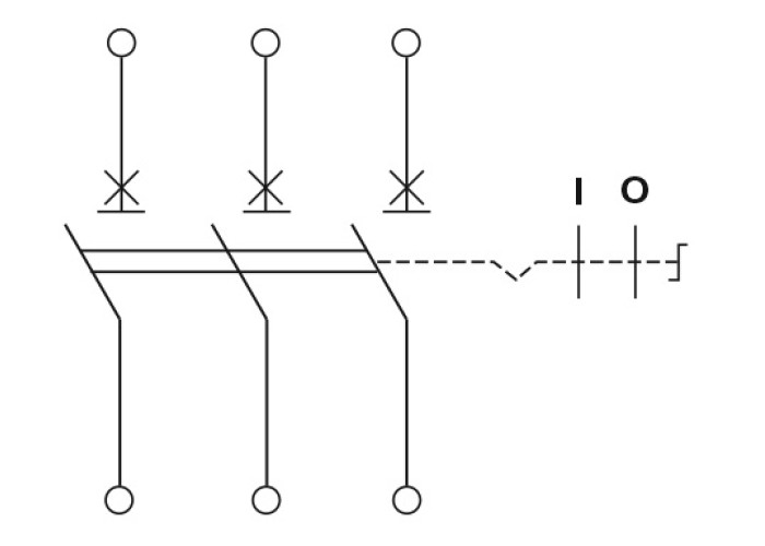
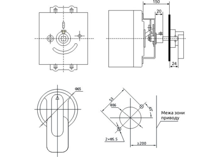
Выключатели FMC могут комплектоваться ручным дистанционно-поворотным приводом (F/HB). Рукоятка ручного привода монтируется на двери распределительного устройства и через рычаг кинематически соединяется с рукояткой выключателя, что позволяет осуществлять включение и отключение выключателя при закрытых дверях распределительного устройства. Установка на автоматический выключатель FMC6.
Характеристики
Общие характеристики
EAN, Одиниця продукту
4823117811224
Вага продукту, kg, Одиниця продукту
1.7
Вага продукту, kg, Ящик норма
0.000
Висота, cm, Ящик норма
0.00
Глибина, cm, Одиниця продукту
0,003757
Глибина, cm, Ящик норма
0.00
Дополнительное оборудование
Привод - ручний
Кількість, Блочне пакування
1
Кількість, Ящик норма
1
Код УКТЗЕД, Одиниця продукту
8538909900
Обʼєм, m3, Ящик норма
0.000000
Приєднання до автоматичного вимикача
FMC6
Сторона підключення
З передньої сторони
Ширина, cm, Ящик норма
0.00
Отзывов0
0/ 5
средний рейтинг товара
Нет отзывов об этом товаре.