Меню

Автомат защитного отключения FAP8-AC "B" 6А/0,1A 1P+N 6кА

  • Наличие: Ожидание 3-5 дня
  • Артикул: FAP08B06100AC
Отзывы: (0)
Производитель: PROMFACTOR
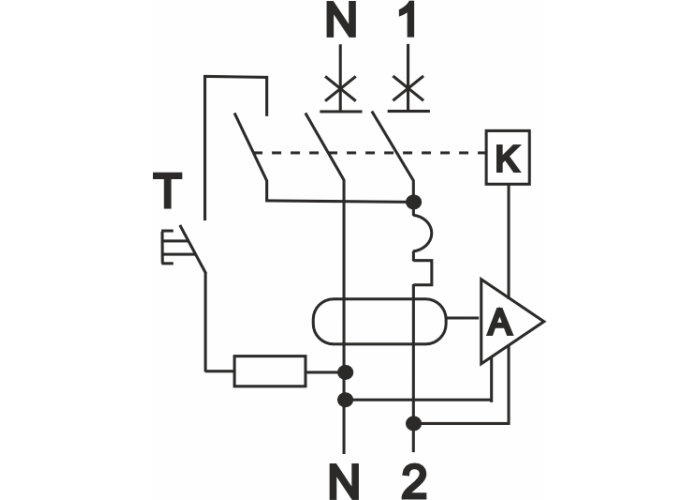
Автомат защитного отключения FAP рекомендуется применять на объектах гражданского и административно-коммерческого назначения. Следует обязательно применять в помещениях с повышенным уровнем влаги для защиты оборудования и избегания поражения электрическим током. Сочетает в себе функции автоматических выключателей и реле защитного отключения, одновременно обеспечивает защиту от токов короткого замыкания, перегрузки и утечки на землю. Защита людей от поражения электрическим током при прямом или косвенном контакте с токоведущими частями.
Характеристики
Общие характеристики
EAN, Одиниця продукту 4823117862103
Вага продукту, kg, Одиниця продукту 0.119
Вага продукту, kg, Ящик норма 0.000
Вимикаюча здатність, kA 6
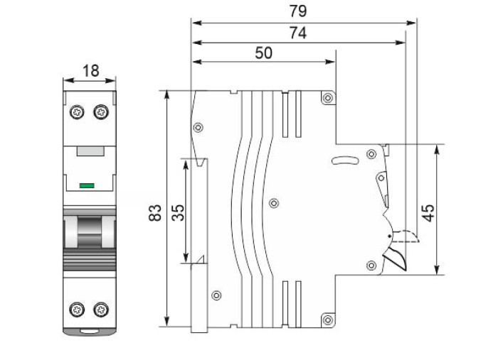
Висота, cm, Одиниця продукту 74.00
Висота, cm, Ящик норма 0.00
Глибина, cm, Одиниця продукту 0,000000
Глибина, cm, Ящик норма 0.00
Кількість полюсів 2Р(1Р+N)
Кількість, Блочне пакування 12
Кількість, Ящик норма 240
Категорія застосування АС
Код УКТЗЕД, Одиниця продукту 8536201000
Номінальний струм, А 6
Обʼєм, m3, Одиниця продукту 18.00
Обʼєм, m3, Ящик норма 0.000000
Підключення гребінчатою шиною PIN
Серия FAP-8
Струм витоку ІΔn, mА 100
Тип диференційного захисту Eлектронний
Часо-струмова характеристика B
Ширина, cm, Одиниця продукту 84.00
Ширина, cm, Ящик норма 0.00
Цена: 0.00 грн
Минимальная сумма заказа 150.00 грн
Отзывов0
0/ 5
средний рейтинг товара
0
0
0
0
0
Нет отзывов об этом товаре.
https://schema.org/MerchantReturnFiniteReturnWindow