- Наличие: Ожидание 3-5 дня
- Артикул: FTR32B00025
Производитель: PROMFACTOR
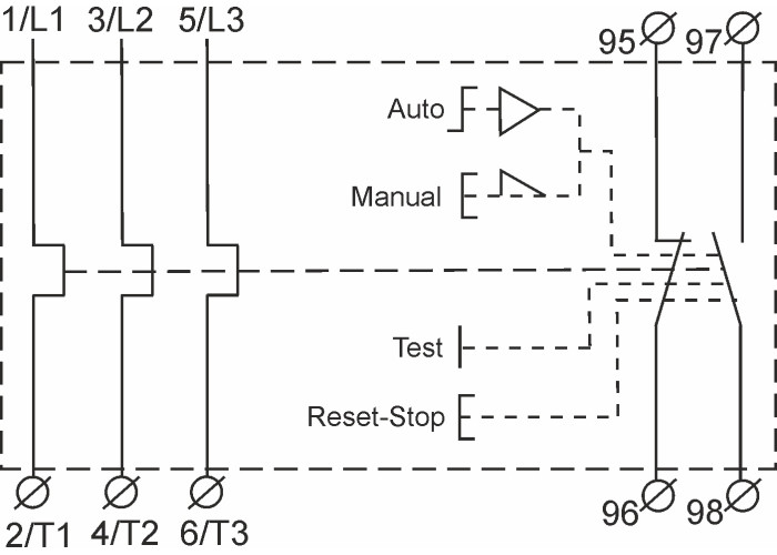
Тепловое реле серии FTR 32В предназначено для защиты асинхронных электродвигателей, используемых на объектах общественного, административно-коммерческого и промышленных объектах. Тепловое реле серии FTR 32В совместимо с магнитными пускателями FC1, FC2, FC3. Защита асинхронных двигателей от перегрузок обрыва фазы и длительного пуска в цепях переменного тока частотой 50/60Hz напряжением до 690V.
Характеристики
Общие характеристики
EAN, Одиниця продукту
4823117814577
EAN, Ящик норма
4823117827324
Вага продукту, kg, Одиниця продукту
0.18
Вага продукту, kg, Ящик норма
0.000
Висота, cm, Ящик норма
0.00
Глибина, cm, Одиниця продукту
0,000640
Глибина, cm, Ящик норма
0.00
Кількість, Блочне пакування
1
Кількість, Ящик норма
50
Код УКТЗЕД, Одиниця продукту
8536490090
Номінальний робочий струм, А
0.16-0.25
Обʼєм, m3, Ящик норма
0.000000
Спосіб монтажу
Вбудоване/Автономне
Ширина, cm, Ящик норма
0.00
Отзывов0
0/ 5
средний рейтинг товара
Нет отзывов об этом товаре.