Меню

Реле тепловое FTR80B 29-42А встроенное

  • Наличие: Ожидание 3-5 дня
  • Артикул: FTR80B04200
Отзывы: (0)
Производитель: PROMFACTOR
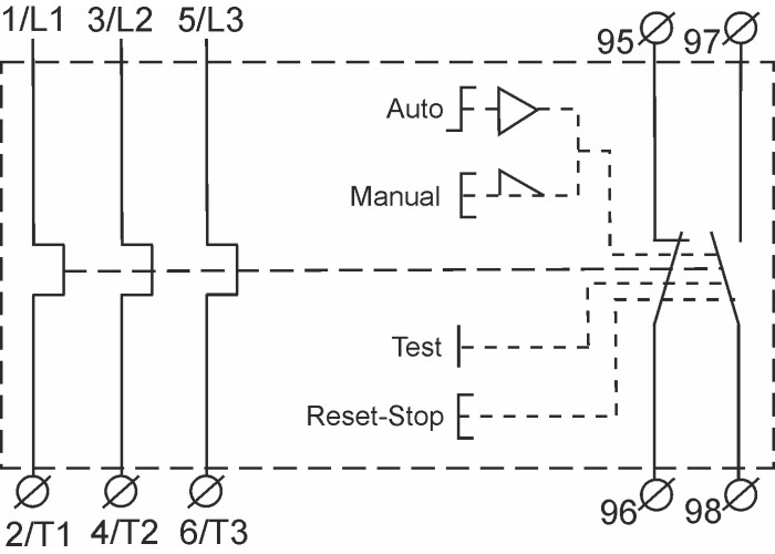
Тепловое реле серии FTR 80В предназначено для защиты асинхронных электродвигателей, используемых на объектах общественного, административно-коммерческого и промышленных объектах. Тепловое реле серии FTR 80В совместимо с магнитными пускателями FC4. Защита асинхронных двигателей от перегрузок обрыва фазы и длительного пуска в цепях переменного тока частотой 50/60Hz напряжением до 690V.
Характеристики
Общие характеристики
EAN, Одиниця продукту 4823117814744
EAN, Ящик норма 4823117827485
Вага продукту, kg, Одиниця продукту 0.35
Вага продукту, kg, Ящик норма 0.000
Висота, cm, Ящик норма 0.00
Глибина, cm, Одиниця продукту 0,000975
Глибина, cm, Ящик норма 0.00
Кількість, Блочне пакування 1
Кількість, Ящик норма 50
Код УКТЗЕД, Одиниця продукту 8536490090
Номінальний робочий струм, А 29-42
Обʼєм, m3, Ящик норма 0.000000
Спосіб монтажу Вбудоване/Автономне
Ширина, cm, Ящик норма 0.00
Цена: 2 240.40 грн
Товар на украинском языке: Реле теплове FTR80B 29-42А вбудоване
Отзывов0
0/ 5
средний рейтинг товара
0
0
0
0
0
Нет отзывов об этом товаре.
https://schema.org/MerchantReturnFiniteReturnWindow