- Наличие: Ожидание 3-5 дня
- Артикул: FLS15M322P65
Производитель: PROMFACTOR
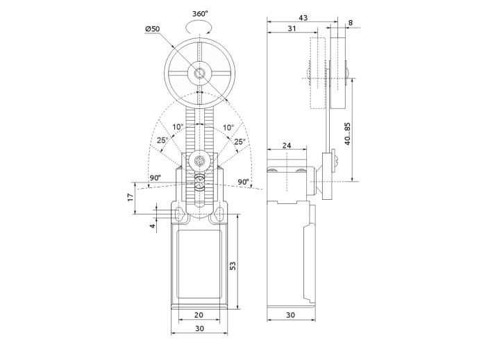
Выключатели путевые FLS предназначены для применения на объектах общественного строительства и объектах административно-коммерческого назначения. Выключатели путевые выполняют контроль, ограничение, блокировку, а также контроль и изменение направления перемещения исполнительного механизма.
Характеристики
Общие характеристики
EAN, Одиниця продукту
4823117814829
EAN, Ящик норма
4823117827553
Вага продукту, kg, Одиниця продукту
0.12
Вага продукту, kg, Ящик норма
0.000
Висота, cm, Ящик норма
0.00
Глибина, cm, Одиниця продукту
0,000135
Глибина, cm, Ящик норма
0.00
Кількість, Блочне пакування
1
Кількість, Ящик норма
100
Код УКТЗЕД, Одиниця продукту
8536508000
Обʼєм, m3, Ящик норма
0.000000
Привід
Важіль з роликом регульований по довжині (32, 33, 8108)
Степень защиты
IP65
Типоисполнение
Пластик
Ширина, cm, Ящик норма
0.00
Отзывов0
0/ 5
средний рейтинг товара
Нет отзывов об этом товаре.