Меню

Автоматичний вимикач з електронним блоком керування FMC5Eі 3P 500A 85kA

  • Наявність: Очікування 3-5 дні
  • Артикул: FMC5Ei500
Відгуки: (0)
Виробник: PROMFACTOR
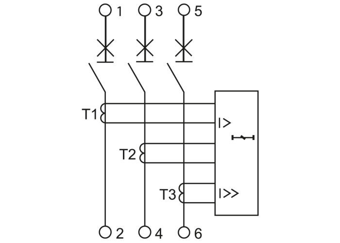
Автоматичні вимикачі з електронним блоком керування FMC5Еі застосовуються на промислових об`єктах, а також в низьковольтному щитовому обладнанні розподілу і захисту від струмів перевантажень, короткого замикання. Границі регулювання: 0.4-1.0xIn Діапазон номінального струму: 200-500А з кроком 1A Час затримки: 12-150s з кроком 1s+OFF Нижня границя захисту по КЗ: 500-6000А з кроком 1A Час КЗ: 0.06-1s з кроком 0.01s+OFF Верхня границя захисту по КЗ: 800-7000А з кроком 1A+OFF Попередній сигнал тривоги: 140-500А з кроком 1A
Характеристики
Загальні характеристики
EAN, Одиниця продукту 4823117862875
EAN, Ящик норма 4823117862912
Вага продукту, kg, Одиниця продукту 6.3
Вага продукту, kg, Ящик норма 0.000
Висота, cm, Ящик норма 0.00
Глибина, cm, Одиниця продукту 0,009527
Глибина, cm, Ящик норма 0.00
Кількість, Блочне пакування 1
Кількість, Ящик норма 4
Код УКТЗЕД, Одиниця продукту 8536209000
Номінальний струм, А 500
Обʼєм, m3, Ящик норма 0.000000
Типорозмір FMC FMC - 5
Уставки номінального струму, А 200-500
Ширина, cm, Ящик норма 0.00
Ціна: 25 635.00 грн
Відгуків0
0/ 5
середній рейтинг товара
0
0
0
0
0
Немає відгуків про цей товар.
https://schema.org/MerchantReturnFiniteReturnWindow