Меню

Реле теплове FTR80B 60-80А вбудоване

  • Наявність: Очікування 3-5 дні
  • Артикул: FTR80B08000
Відгуки: (0)
Виробник: PROMFACTOR
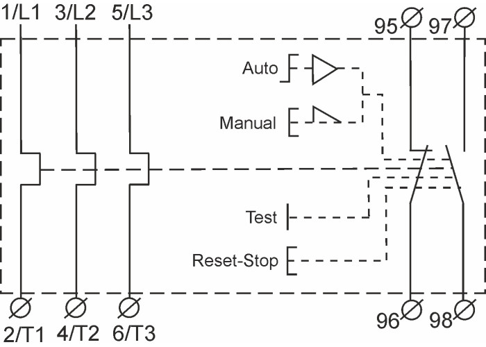
Теплове реле серії FTR 80В призначене для захисту асинхронних електродвигунів, які використовуються на об'єктах громадського, адміністративно-комерційного, та промислових об'єктах. Теплове реле серії FTR 80В сумісні з магнітними пускачами FC4. Функції: Захист асинхронних двигунів від перевантажень обриву фази та тривалого пуску в ланцюгах змінного струму частотою 50/60Hz напругою до 690V.
Характеристики
Загальні характеристики
EAN, Одиниця продукту 4823117814775
EAN, Ящик норма 4823117827515
Вага продукту, kg, Одиниця продукту 0.35
Вага продукту, kg, Ящик норма 0.000
Висота, cm, Ящик норма 0.00
Глибина, cm, Одиниця продукту 0.000975
Глибина, cm, Ящик норма 0.00
Кількість, Блочне пакування 1
Кількість, Ящик норма 50
Код УКТЗЕД, Одиниця продукту 8536490090
Номінальний робочий струм, А 60-80
Обʼєм, m3, Ящик норма 0.000000
Спосіб монтажу Вбудоване/Автономне
Ширина, cm, Ящик норма 0.00
Ціна: 2 352.00 грн
Товар російскою мовою: Реле тепловое FTR80B 60-80А встроенное
Відгуків0
0/ 5
середній рейтинг товара
0
0
0
0
0
Немає відгуків про цей товар.
https://schema.org/MerchantReturnFiniteReturnWindow