Меню

Автоматичний вимикач з електронним блоком керування FMC4Eі 3P 400A 85kA

  • Наявність: Очікування 3-5 дні
  • Артикул: FMC4Ei400
Відгуки: (0)
Виробник: PROMFACTOR
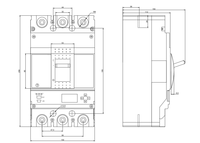
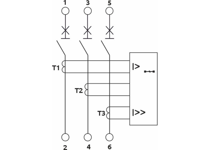
Автоматичні вимикачі з електронним блоком керування FMC4Еі застосовуються на промислових об`єктах, а також в низьковольтному щитовому обладнанні розподілу і захисту від струмів перевантажень, короткого замикання. Границі регулювання: 0.4-1.0xIn Діапазон номінального струму: 160-400А з кроком 1A Час затримки: 12-150s з кроком 1s+OFF Нижня границя захисту по КЗ: 320-4800А з кроком 1A+OFF Час КЗ: 0.06-1s з кроком 0.01s+OFF Верхня границя захисту по КЗ: 640-5600А з кроком 1A+OFF Попередній сигнал тривоги: 112-400А з кроком 1A
Характеристики
Загальні характеристики
EAN, Одиниця продукту 4823117812450
EAN, Ящик норма 4823117825955
Вага продукту, kg, Одиниця продукту 6.05
Вага продукту, kg, Ящик норма 0.000
Висота, cm, Одиниця продукту 114.00
Висота, cm, Ящик норма 0.00
Глибина, cm, Одиниця продукту 0.009262
Глибина, cm, Ящик норма 0.00
Кількість, Блочне пакування 1
Кількість, Ящик норма 4
Код УКТЗЕД, Одиниця продукту 8536209000
Номінальний струм, А 400
Обʼєм, m3, Одиниця продукту 148.00
Обʼєм, m3, Ящик норма 0.000000
Типорозмір FMC FMC - 4
Уставки номінального струму, А 160-400
Ширина, cm, Одиниця продукту 256.00
Ширина, cm, Ящик норма 0.00
Ціна: 17 053.80 грн
Відгуків0
0/ 5
середній рейтинг товара
0
0
0
0
0
Немає відгуків про цей товар.
https://schema.org/MerchantReturnFiniteReturnWindow